OS4 DepotLogo by Browallia 
(anonymous IP: 10.8.110.56,0) 
 HomeRecentStatsSearchMirrorsContactInfoDisclaimerConfigAdmin
 Menu

 Features
   Crashlogs
   Bug tracker
   Locale browser
 

 Categories

   o Audio (348)
   o Datatype (51)
   o Demo (205)
   o Development (618)
   o Document (24)
   o Driver (100)
   o Emulation (154)
   o Game (1033)
   o Graphics (513)
   o Library (120)
   o Network (238)
   o Office (67)
   o Utility (947)
   o Video (73)

Total files: 4491

Full index file
Recent index file

 Links

  Amigans.net
  OpenAmiga
  Aminet
  UtilityBase
  IntuitionBase
  AmigaBounty


Support the site


 Snapshots for:  Driver » Input » arabic_console_devicepro2.lha

Arabic console

Description: An arabic console device, line&full-screen editors
Download: arabic_console_devicepro2.lha
Version: 14.9Final
Date: 02 Mar 26
Category: driver/input
FileID: 13726

[Back to readme page]

Click on images to see the original ones.

Snapshot nail
Posted by: gdridi  (89.156.84.161)At: 28 Apr 2023, 14:18Version: 2.9z4Final
Skeleton of Arabic Algorithm (initial, medial, final and alone forms)

Snapshot nail
Posted by: gdridi  (89.156.84.161)At: 28 Apr 2023, 14:15Version: 2.9z4Final
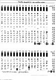
ArabSCII Table = Arab+ASCII Table
Top 8bits table, below 7bits(for communication) table

Snapshot nail
Posted by: gdridi  (79.82.25.196)At: 02 Feb 2016, 12:03Version: 0.9
As it mights look

Snapshot nail
Posted by: DRIDI  (79.82.25.145)At: 14 Aug 2015, 23:22Version: beta
Show the arabic typography

Copyright (c) 2004-2026 by Björn Hagström All Rights Reserved
Amiga OS and its logos are registered trademarks of Hyperion Entertainment